ADS Dental Systems - Classic200 Left/Right Swing Delivery System - # A0712003

ADS Dental Systems - Classic200 Left/Right Swing Delivery System - # A0712003
ADS Dental Systems - Classic200 Left/Right Swing Delivery System - # A0712003 ADS Dental Systems - Classic200 Left/Right Swing Delivery System - # A0712003
SKU: 486105 - Ordered from Manufacturer - ETD
$5,335.00
$3,467.75
You save: $1,867.25 (35%)
Quantity:

Minimum quantity is 1.

Manufacturer #
A0712003
Manufacturer
SubModel
Classic 200
Features
Delivery system
ETD

Earn up to 3,641 rewards points with this product!

Join today and start earning rewards points and unlock exclusive savings with US Dental Depot's Customer Loyalty Rewards Program

SmileRewards Club

Description

CLASSIC 200
Left/Right Swing Delivery System
PRODUCT DESCRIPTION
STANDARD FEATURES: CLASSIC 200 Left/Right Swing Delivery System:
■ Classic Swing mount Dentist's Control
■ Swing Classic dentist's control head with 3 auto H.P. control
■ Individual water coolant controls
■ Master handpiece air coolant adjustment
■ Asepsis handpiece tubing
■ Master on/off switch
1 DOCTOR SYRINGE & WET/DRY FOOT CONTROL:
■ Stainless steel tray with non-slip pad
■ City/bottled watersysterm, 5 ft umbilical
■ Junction box with air/water filters, regulators
■ Master shut-off valves
CLASSIC 200 Delivery System VIDEO:
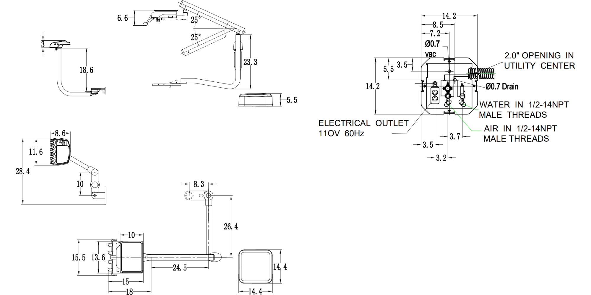
DIMENSIONS (UNIT: INCHES)
DOWNLOADS

Related Products